எங்களுக்கு மின்னஞ்சல் அனுப்பு
தயாரிப்புகள்
தயாரிப்புகள்
டாக் நியூமேடிக் மாற்று வால்வு
  • டாக் நியூமேடிக் மாற்று வால்வுடாக் நியூமேடிக் மாற்று வால்வு

டாக் நியூமேடிக் மாற்று வால்வு

தொழில்முறை உற்பத்தியாக, OLK உங்களுக்கு TAC நியூமேடிக் மாற்று வால்வை வழங்க விரும்புகிறது. மற்றும் OLK உங்களுக்கு விற்பனைக்குப் பிறகு சிறந்த சேவையையும் சரியான நேரத்தில் வழங்கப்படும்.

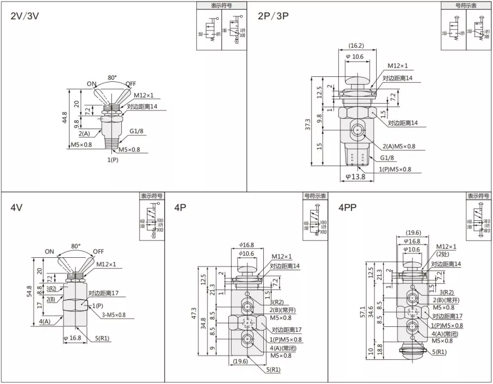
TAC நியூமேடிக் மாற்று வால்வு (சுவிட்ச் வால்வு என்றும் அழைக்கப்படுகிறது) என்பது நியூமேடிக் அமைப்புகள் மற்றும் திரவக் கட்டுப்பாட்டுக்காக சிறப்பாக வடிவமைக்கப்பட்ட ஒரு துல்லியமான மாறுதல் கூறு ஆகும். அதன் தனித்துவமான மாற்று வகை கட்டுப்பாட்டு கட்டமைப்பைக் கொண்டு, இது விரைவான மாறுதல் மற்றும் திரவ பாதைகளின் துல்லியமான கட்டுப்பாட்டை அடைகிறது.

TAC தொடர் மாற்று வால்வில் 2 நிலை 2 வழி, 2 நிலை 3 வழி மற்றும் 2 நிலை 5 வழியைத் தேர்வு செய்யலாம். ஒரு பல்வேறு நெம்புகோல் வகை மற்றும் இரண்டு வகைகள் நூல்: M5, G1/8.

பயன்பாட்டு காட்சிகள்

தொழில்துறை ஆட்டோமேஷன் உபகரணங்கள், இயந்திர செயலாக்கம், கட்டுமானப் பொருட்கள் செயலாக்கம், ஆற்றல் மற்றும் சுரங்க, உணவு மற்றும் பான தொழில், மருத்துவ உபகரணங்கள் போன்றவை.

தயாரிப்பு அம்சங்கள்

இது அளவு சிறியது, சிறிய நிறுவல் இடம் தேவைப்படுகிறது, மேலும் கைமுறையாக செயல்பட உள்ளுணர்வு, இது அடிக்கடி மாறுதல் தேவைப்படும் காட்சிகளுக்கு ஏற்றது.

TAC வால்வு சின்னம் மற்றும் அவுட்லைன் மாற்று

முடித்தல் குறியீடு

டாக்

2

__

2

P

 

 

 

 

 

TAC தொடர் வால்வை மாற்றவும்

 

 

2: 2position 2 வழி (M5)

பி: புஷ்-புல் பொத்தான் வகை

 

 

 

3: 2 நிலை 3 வழி (எம் 5)

வி: கை நெம்புகோல் வகை

 

 

 

4: 2 பவிஷன் 5 வழி (எம் 5)

பிபி: இரட்டை புஷ்-புல் பொத்தானை

 

 

 

31: 2 நிலை 3 வழி (ஜி 1/8)

 

 

 

 

41: 2 பவிஷன் 5 வழி (ஜி 1/8)

 

 

மாதிரி

துறைமுக அளவு

 

எண்
நிலை

பயனுள்ள  
குறுக்கு வெட்டு பகுதி

அழுத்தம் வரம்பு

வேலை செய்யும் திரவம்

சுற்றுப்புறம்
வெப்பநிலை

 

TAC-2V

Inlet = கடையின் = m5   

2 நிலை 2 வழி

1.9 மிமீ

0.05 ~ 0.9 பிபிஏ

காற்று

0 ~ 60

TAC-2P

Inlet = கடையின் = m5   

2 நிலை 2 வழி

1.9 மிமீ

TAC-3V

Inlet = கடையின் = m5   

2 நிலை 3 வழி

1.9 மிமீ

TAC-3P

Inlet = கடையின் = m5   

2 நிலை 3 வழி

1.9 மிமீ

TAC-4V

Inlet = கடையின் = m5   

2 நிலை 5 வழி

1.9 மிமீ

TAC-4P

Inlet = கடையின் = m5   

2 நிலை 5 வழி

1.9 மிமீ

4 பிபி

ஜி 1/8

 

2 நிலை 5 வழி

4.5 மிமீ

TAC2-31V

Inlet = கடையின் = வெளியேற்ற = ஜி 1/8   

2 நிலை 3 வழி

4.5 மிமீ

TAC2-31P

Inlet = கடையின் = வெளியேற்ற = ஜி 1/8   

2 நிலை 3 வழி

4.5 மிமீ

TAC2-41V

Inlet = கடையின் = G1/8 வெளியேற்ற = M5

2 நிலை 5 வழி

4.5 மிமீ

TAC2-41P

Inlet = கடையின் = G1/8 வெளியேற்ற = M5

2 நிலை 5 வழி

4.5 மிமீ

TAC2-41PP

Inlet = கடையின் = G1/8 வெளியேற்ற = M5

2 நிலை 5 வழி

4.5 மிமீ

கேள்விகள்:

மாற்று வால்வு மற்றும் மெக்கானிக்கல் வால்வுக்கு என்ன வித்தியாசம்?

இது கட்டுப்பாட்டு வகையின் மூலம் மாற்று வால்வு மற்றும் இயந்திர வால்வை வேறுபடுத்தலாம்: மாற்று வால்வு என்பது பைன் நெம்புகோல் வைத்திருக்கும் வகை, மெக்கானிக்கல் வால்வு புஷ்-புல் பொத்தான் வகை அல்லது ரோலர் வகை

 

மாற்று வால்வு மற்றும் பிற வால்வுகளுக்கு என்ன வித்தியாசம்?

துல்லியமான கட்டுப்பாடு: மாறும் வால்வுகள் ஒரு கூம்பு வால்வு கோர் மூலம் சிறந்த ஓட்ட ஒழுங்குமுறையை அடைகின்றன, இது சிறிய விட்டம் கொண்ட குழாய்களில் துல்லியமான கட்டுப்பாட்டுக்கு ஏற்றது, அதே நேரத்தில் பந்து வால்வுகள் விரைவான திறப்பு மற்றும் நிறைவு நடவடிக்கைகளுக்கு மிகவும் பொருத்தமானவை.

சூடான குறிச்சொற்கள்: டாக் நியூமேடிக் மாற்று வால்வு, சீனா, உற்பத்தியாளர், சப்ளையர், தொழிற்சாலை
விசாரணையை அனுப்பு
தொடர்பு தகவல்
  • முகவரி

    ஜெங்டாய் சாலை, ஜிங்குவாங் தொழில்துறை மண்டலம், லியுஷி, யூகிங், வென்ஷோ, ஜெஜியாங், சீனா.

  • டெல்

    86-0577 57178620

  • மின்னஞ்சல்

    cici@olkptc.com

எங்கள் வலைத்தளத்திற்கு வரவேற்கிறோம்! எங்கள் தயாரிப்புகள் அல்லது விலைப்பட்டியல் பற்றிய விசாரணைகளுக்கு, தயவுசெய்து உங்கள் மின்னஞ்சலை எங்களுக்கு அனுப்பவும், நாங்கள் 24 மணிநேரத்திற்குள் தொடர்பில் இருப்போம்.
செய்தி பரிந்துரைகள்
மின்னஞ்சல்
cici@olkptc.com
டெல்
86-0577 57178620
கைபேசி
+86-13736765213
முகவரி
ஜெங்டாய் சாலை, ஜிங்குவாங் தொழில்துறை மண்டலம், லியுஷி, யூகிங், வென்ஷோ, ஜெஜியாங், சீனா.
X
உங்களுக்கு சிறந்த உலாவல் அனுபவத்தை வழங்கவும், தள போக்குவரத்தை பகுப்பாய்வு செய்யவும் மற்றும் உள்ளடக்கத்தைத் தனிப்பயனாக்கவும் நாங்கள் குக்கீகளைப் பயன்படுத்துகிறோம். இந்தத் தளத்தைப் பயன்படுத்துவதன் மூலம், எங்கள் குக்கீகளைப் பயன்படுத்துவதை ஒப்புக்கொள்கிறீர்கள். தனியுரிமைக் கொள்கை
நிராகரிக்கவும் ஏற்றுக்கொள்